Невеликий двигун змінного струму Постачальники

  • 400 Вт серії
  • 400 Вт серії
  • 400 Вт серії
  • 400 Вт серії
Невеликий двигун змінного струму

400 Вт серії

Потужність двигуна: 400 Вт (1/2 к.с.) Горизонтальна або вертикальна установка

Фаза: однофазна / три фаза

Коефіцієнт передачі: 3-1800K

Вибір двигуна: 3 фазовий двигун 220V-240V/380V-415V, 50 Гц/60 Гц; 1 фазовий двигун, 220 В, 50 Гц/60 Гц; 1 фазовий двигун, 110 В, 50 Гц / 60 Гц

Діаметр вихідного валу: φ22mm φ28mm φ32mm φ40mm

  • 400 Вт серії
  • 400 Вт серії
  • 400 Вт серії
  • 400 Вт серії
ЗАСТОСУВАННЯ ПЛОЩА
Ми є високотехнологічним підприємством, що спеціалізується на виробництві та продажу редукторних двигунів змінного струму, малих редукторних двигунів, сервоспеціалізованих планетарних редукторів, безщіткових та безщіткових двигунів постійного струму та іншої продукції.
  • Сортування логістики

  • Автоматизовані роботи

  • Лазерне різання

  • Ворота контролю доступу

  • Фотоелектрична електростанція

  • Медичні пристрої

  • АГВ

Опис продукту

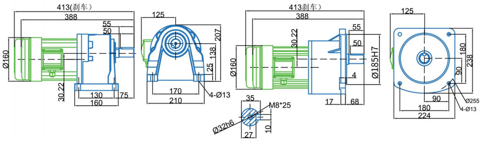
CH22/CV22-400W- (Стандартне поле 1: 3 ~ 10 співвідношення) (зменшене поле 1: 15 ~ 90 співвідношення) Діаграма розміру

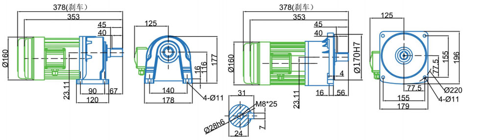
CH32/CV32-400W (1: 210 або вище співвідношення) Діаграма розмірів

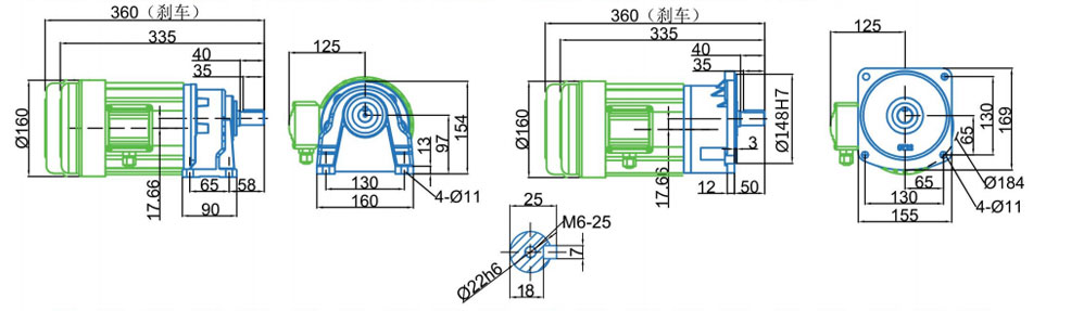
CH28/CV28-400W - (Стандартне поле 1: 15 ~ 90 співвідношення) (зменшене коробка 1: 100 ~ 200 співвідношення) Розмір креслення

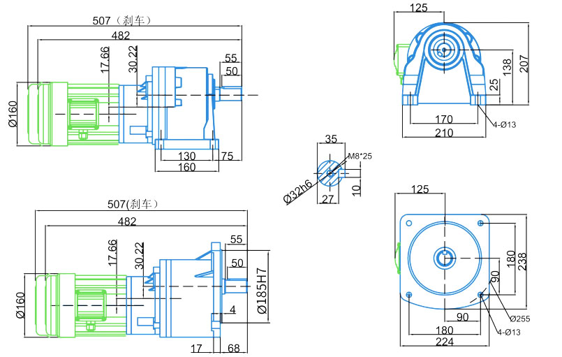
CH40/CV40-400W (1: 210 або вище співвідношення) Діаграма розміру

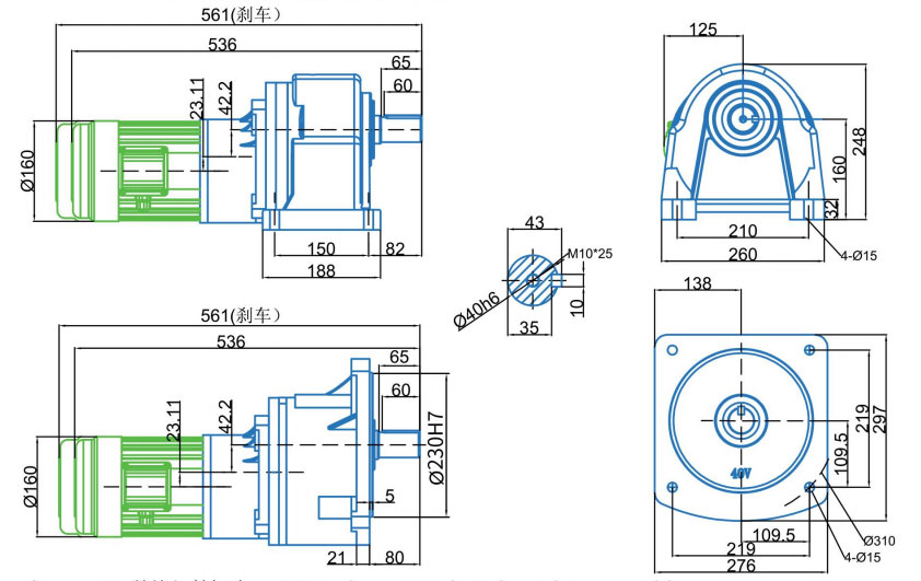
CH32/CV32-400W - (Стандартне поле 1: 100 ~ 200 співвідношення) розмірний малюнок

Параметр електричної машини

Параметр електричної машини

Сила (кВт)

Тип

Напруга (v)

Частота (Гц)

Оцінений струм (a)

Оцінка швидкості обертання (RMP)

Конденсатори (мкФ)

Класифікація ізоляції

Захисна система

0,4 кВт

1/2 к.с.

Однофазна

220V

50 Гц

1.1A

1420RMP

16 мкф 、 100 мкф

F

IP54

Трифазний

220В/380В

50 Гц

2.1A/1.2A

1420rmp

/

400 Вт- (1: 3-1800 Цифрове співвідношення) Таблиця крутного моменту

Співвідношення Гера

3

5

10

15

20

25

30

40

50

60

70

80

90

100

120

140

160

180

200

300

1200

1800

Вихід R.P.M.

50 Гц

500

300

150

100

75

60

50

37

30

25

21.4

18.8

16.7

15

12.5

10.7

9.4

8.4

7.5

5

1.25

0.83

60 Гц

600

360

180

120

90

72

60

45

36

30

25.7

22.5

20

18

15

12.9

11.3

10

9

6

1.5

1

Вихідний крутний момент кг/м

50 Гц

0.7

1.2

2.4

3.6

4.8

6

7.2

9.3

11.6

13.9

16.2

18.4

20.7

23

27.7

32

36

40.8

43.2

70.2

70.2

70.2

60 Гц

0.6

1

2

3

4

5

6

7.8

9.7

11.6

13.5

15.4

17.3

19.2

23.1

26.7

30.3

34

36

56.7

56.7

56.7

Швидкість у таблиці обчислюється на основі номінальної швидкості двигуна при 50 Гц/60 Гц, 1420r.min/1732r.min

Фактична швидкість незначно змінюватиметься залежно від розміру навантаження, з діапазоном варіацій приблизно ± 5%.

+ Розумійте детальні параметри продукту
Зв яжіться з нами
  • Upload

Про нас
Zhejiang Saiya Intelligent Manufacturing Co., Ltd.
Zhejiang Saiya Intelligent Manufacturing Co., Ltd. засноване у 2009 році з 15-річним досвідом накопичення знань у галузі, є високотехнологічним підприємством, що спеціалізується на виробництві та продажу мікро-редукторів змінного струму, малих редукторів змінного струму, щіткових редукторів постійного струму, безщіткових редукторів постійного струму BLDC, прецизійних планетарних редукторів та роликових двигунів тощо. Ми є Китайський опт 400 Вт серії Постачальники і OEM/ODM 400 Вт серії Виробники, Двигуни та редуктори Saiya широко використовуються в промислових роботах, інтелектуальній логістиці, машинах нової енергії, роботах AGV та інших передових галузях. Крім того, вони відіграють важливу роль у харчовій промисловості, упаковці, текстильній промисловості, електроніці, медичному обладнанні та спеціалізованому обладнанні, пропонуючи економічно ефективні та диференційовані рішення для різних галузей промисловості. Щоб посилити наші переваги в диференціації та економічній ефективності, ми маємо власну торговельну компанію Hangzhou Saiya Transmission Equipment Co., LTD, розташовану в Ханчжоу, провінція Чжецзян, поблизу портів Шанхай та Нінбо, для ведення внутрішнього та закордонного бізнесу, поєднуючи прямі продажі та дистрибуцію, що забезпечує глобальну дистрибуцію та підтримку клієнтів, надаючи високоякісні економічні та надійні рішення для всіх наших клієнтів.

Корпоративна культура

Справжній надійний
Якість природно виділяється.

Основні цінності: Розвиток себе та турбота про інших.

Бачення:Станьте експертом з обслуговування в галузі інтелектуальної передачі.

Наша місія:Надавати високоякісні послуги та створювати цінність для клієнтів.

Філософія обслуговування:Прагнення як матеріального, так і духовного щастя для всіх працівників та внесок у прогрес і розвиток людського суспільства.

  • 2009

    Заснування
  • 80+

    Персонал
  • 5+

    Виробнича лінія
Новини